Нингбо Рицхге Тецхнологи Цо, Лтд.
Нингбо Рицхге Тецхнологи Цо, Лтд.
Производи
Производи
Зн12-12 серија Интегрисани прекидач колоне Вакуумски прекидач
  • Зн12-12 серија Интегрисани прекидач колоне Вакуумски прекидачЗн12-12 серија Интегрисани прекидач колоне Вакуумски прекидач
  • Зн12-12 серија Интегрисани прекидач колоне Вакуумски прекидачЗн12-12 серија Интегрисани прекидач колоне Вакуумски прекидач

Зн12-12 серија Интегрисани прекидач колоне Вакуумски прекидач

Model:ZN12-12
Зн12-12 Сериес Индоор АЦ ХВ ХВ Вакуумски прекидач је унутрашња опрема од три фазе АЦ 50Хз, називни напон 12кВ, који је увео технологију од немачке компаније. Погодан је за подручје са свим врстама оптерећења и честе операције и може се користити за заштиту и контролу индустријских и рударских, предузећа, електрана и подстаница електричних објеката. Овај производ је у складу са повезаним захтевом ГБ1984, ЈБ3855, ДЛ403 и ИЕЦ стандарда.

Зн12-12 серија Интегрисани прекидач колоне Вакуумски прекидач

  Зн12-12 Унутрашњи напон високонапонски прекидач називног напона 12кВ и следеће унутрашње склопке високог напона, углавном инсталиран у фиксном преклопниј, за индустријске и рударске предузећа, електране и подстанице за заштиту и контролу електричних објеката и прикладно је за пробијање важних оптерећења и учестало је за пробијање важних оптерећења и честе операције места и учестало је за кршење места и учестало за пробијање места!

  Вакуумски прекидачи серије Зн12 су у затвореном уређају са високим напоном, са називним напонима 12кВ, 24кВ и 40.5кВ и три фазе АЦ 50Хз. Домаћи је производ развијен увођењем немачких Сиеменс 3АФ технологија. Радни механизам прекидача је прољетни тип складиштења енергије, који се може управљати АЦ или ДЦ или ручно. Прекидач круга има једноставну структуру, снажан капацитет који се ломи, дуги животни век и комплетне функције рада. А нема опасности од експлозије, а одржавање је једноставно. Погодан је за прекидач контроле или заштите преноса и дистрибутивних система, као што су електране, подстанице и индустријска и рударска предузећа, посебно погодна за кршење важних оптерећења и честих радних места. Инсталациони облик прекидача у кабинету прекидача може бити или фиксни тип или прекидач типа за подизање. Овај производ је у складу са релевантним стандардима као што су ГБ1984, ЈБ3855 и ИЕЦ62271-100 "високонапонски прекидач".


Предности:

1. Прекидач круга је прошао процену Министарства машина и Министарство електричне енергије у 96. августа, што значи да је квалитет апсолутно гарантован.

Механизам прекидача круга је интегрисан са прекидачем, а специјални пролећни механизам за актуатор за складиштење енергије може се управљати АЦ и ДЦ Складиштењем енергије или ручно управљаним.

С једностадном структуром, снажно прекршај, дугачки радни век, комплетне функције рада, нема опасности од експлозије и лаког одржавања, овај прекидач је погодан за контролу или заштиту прекидача напајања и дистрибутивног система, као што је електрана, градска енергија, посебно је погодна за пробијање важних оптерећења и места.


Карактеристике:

1. Капацитет прекршаја АРЦ-а гашење комора је висок, тренутни капацитет за ношење је низак, а електрични живот је дуг.

2 Изглед је са предњег до леђа, једноставна и компактна структура, комплетан рад и лако одржавање.

3. Да би се структурирао и уградили, они се могу поделити на: хоризонтални фиксни тип, нагнут фиксни тип, средње постављене покретне врсте.






Основне информације.



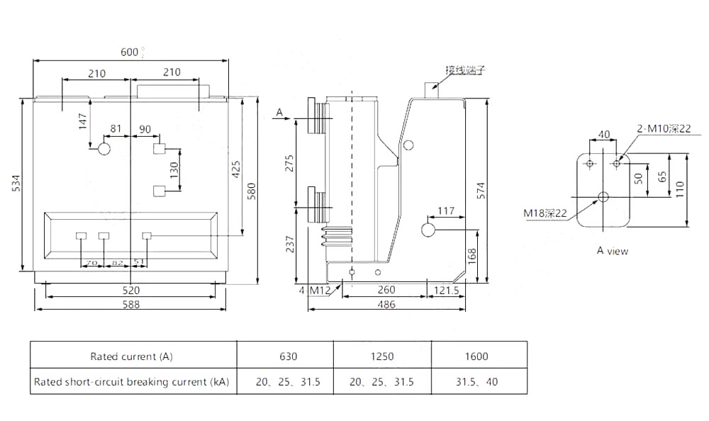
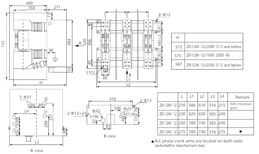
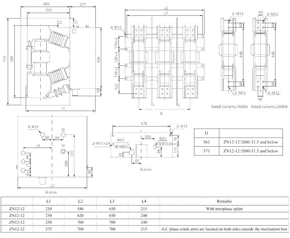
Технички параметри



Технички цртежи


Услови употребе Зн12-12 интегрисани прекидач ступца у вакум кругу 1. Надморска висина: л1000 м; (Надморска висина прототипа може доћи до 4000 метара)

2 Температура околине: Највиши + 40 ° Ц, најнижи -25 ° Ц;

3. Релативна влага: дневни просек не више од 95%, месечни просек не више од 90%;

4. Интензитет земљотреса: мање од 8;

5. Инсталационо окружење: без пожара, опасност од експлозије, без корозивног гаса и негњено мјесто вибрације.

6 Молимо вас да се обратите произвођачу вакуумског прекидача ако коришћење окружења прелази горе наведено.




Постављана питања

П: Могу ли добити цене ваших производа?

О: Добродошли. Слободно нам је пошаљете упит овде. Одговорићемо вам у року од 24 сата.


П: Могу ли добити узорак пре великог поретка?

О: Да, поздрављамо узорак налога за тестирање и проверу квалитетних миксичних узорака су прихватљиви.


П: Можемо ли да штампамо наш лого / име компаније на производе?

О: Да, наравно, прихватамо ОЕМ, а затим нам требате да нам обезбедите ауторизацију бренда


П: Да ли прихватате прилагођавање производа?

О: Да, наравно, наведите специфичне цртеже или параметре, цитираћемо вас након евалуације


П: Шта је време вођења?

О: Вријеме вођења зависи од наведених количина, углавном у року од 7 до 20 дана од пријема уплате.


П: Каква је ваша терминала?

О: Прихватамо ЕКСВ, ФОБ, ЦИФ, ФЦА итд.


П: Који је ваш начин плаћања?  

О: Прихватамо Т / Т, Вестерн Унион, Паипал, неопозиви Л / Ц на видику, итд


П: Да ли прегледате готове производе?

О: Да, сваки корак производње и готових производа биће испрекидан преглед КЦ одељења пре отпреме. И ми ћемо пружити извештаје о прегледу робе за вашу референцу пре отпреме


П: Како решити проблеме са квалитетом након продаје?

О: Снимите фотографије квалитетних проблема и пошаљите нам за нашу проверу и потврђујући, направићемо задовољство за вас у року од 3 дана.




Фабрички


Сертификат




Хот Тагс: Зн12-12 серија Интегрисани прекидач ступа за ступац Вакуумски прекидач, Кина, произвођач, добављач, фабрика, ниска цена, квалитет, најновија продаја, напредна
Пошаљи упит
Контакт информације
  • Адреса

    Бр.1083 Зхонгсхан Еаст Роад, Округ Иинзхоу, Град Нингбо, Провинција Зхејианг, Кина

За упите о нисконапонским расклопним уређајима, високонапонским изолаторима, високонапонским уземљивачима или ценовнику, оставите нам своју е-пошту и ми ћемо вас контактирати у року од 24 сата.
X
We use cookies to offer you a better browsing experience, analyze site traffic and personalize content. By using this site, you agree to our use of cookies. Privacy Policy
Reject Accept